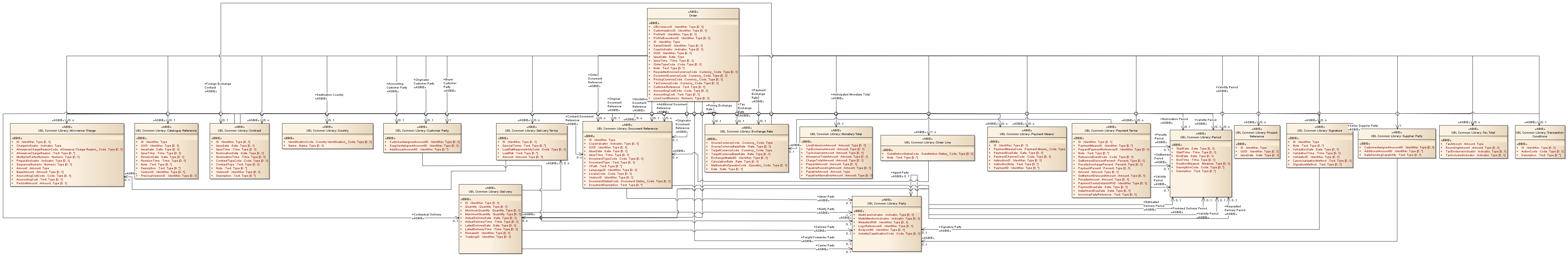
Order : Class diagram
Created:
5/3/2013 11:12:52 AM
Modified:
5/3/2013 11:46:40 AM
Project:
Author:
Administrator
Version:
1.0
Advanced:
ID:
{F15E5820-A6A0-4a2f-AD36-6C61CE5BAEF7}